
Bespoke Design
The power centre can be supplied to match the system flow and recovery percentage based on fluid temperature and salinity levels to
ensure that the minimum level of treated water is used in comparison to the potable water produced. This gives increased membrane life
coupled to a low power consumption.
- Info
- Specification
- Performance
- Download
Janus power centre combine the operation of an axial piston high pressure desalination pump with an axial piston motor utilising the pressure in the waste brine to assist the electric motor in driving the pump therefore, reducing the power requirement to typically less than 3 kW/m³ throughout.
Our power centre has been purpose designed and built for the RO market.
The power centre is driven via a splined shaft from an electric motor.
This turns the pump rotating group which also drives the energy recovery rotating group via a simple splined mechanical coupling.
There is no need for a second separate booster pump as in many other energy recovery devices nor an additional electric drive motor.
Due to the integrated nature of the power centre design, the footprint is reduced.
There is also no need for additional fluid couplings which makes for a very compact system; ideal for ships and offshore platforms.
| Shaft Material | Duplex |
| Piston Material | Duplex |
| Housing Material | Duplex |
| Max. Operating Pressure | 85 Bar |
| Min. Operating Pressure | 30 Bar |
| Min. Inlet Pressure at Inlet Pressure Switch Port |
3.5 Bar |
| Max. Operating Temp. | 50°C |
| Mounting Direction | Horizontal |
| Operating Medium | Sea/Salt Water |
| Drinkable Water Production |
Up to 307m³/day |
| Power Rating | See graphs |
This unit is designed for mounting horizontally using a flexible gear coupling to an electric motor for up to 1250 rpm rotational speed.
The power centre is designed for presurised feed water supply at a minimum of 3.5 bar measured at the inlet pressure switch port.
The design separates the feed water from the pump internal leakage water which must be piped away to a low pressure sump or drain.
- Info
- Specification
- Performance
- Download
The power centre combines the operation of an axial piston pump with an axial piston high pressure desalination motor utilising the pressure in the waste brine to assist the electric motor in driving the pump therefore, reducing the power requirement to typically less than 3 kW/m³ throughout.
The power centre has been purpose designed and built for the RO market.
The power centre is driven via a splined shaft from an electric motor. This turns
the pump rotating group which also drives the energy recovery rotating group via
a simple splined mechanical coupling.
There is no need for a second separate booster pump as in many other energy recovery devices nor an additional electric drive motor.
Due to the integrated nature of the power centre design, the footprint is reduced.
There is also no need for additional fluid couplings which makes for a very compact system; ideal for ships and offshore platforms.
| Shaft Material | Duplex |
| Piston Material | Duplex |
| Housing Material | Duplex |
| Max. Operating Pressure | 85 Bar |
| Min. Operating Pressure | 30 Bar |
| Min. Inlet Pressure at Inlet Pressure Switch Port |
3.5 Bar |
| Max. Operating Temp. | 50°C |
| Mounting Direction | Horizontal |
| Operating Medium | Sea/Salt Water |
| Drinkable Water Production |
Up to 307m³/day |
| Power Rating | See graphs |
The unit is designed for mounting horizontally using a flexible gear coupling to an electric motor for up to 1250 rpm rotational speed.
The power centre is designed for presurised feed water supply at a minimum of 3.5 bar measured at the inlet pressure switch port. The design separates the feed water from the pump internal leakage water which must be piped away to a low pressure sump or drain.

Low Maintenance Costs
The simple compact design of the power centre has ensured parts requiring maintenance are easily accessible therefore, reducing maintenance costs. Both the pump and energy recovery motor utilise the same well proven axial piston technology leading to long service
intervals without the need for expensive oil changes. No special tools are required, but for extra assurance service exchange units are available.
High Reliability with Low Risk
Our in-house designed axial piston pumps and motors are 100% tested at 160 bar pressure settings or twice the working pressure ensuring the reliability of the power centre. The power centre utilises salt water to lubricate bearing surfaces so there is absolutely no risk of oil contamination to the environment or the working area.

Reduced Operating Costs
The integrated energy recovery device enables high energy efficiency, meaning lower running costs and potential energy savings of up to 70% (compared with systems without energy recovery). This also leads to the use of smaller electric motors and control systems thereby reducing the capital cost.
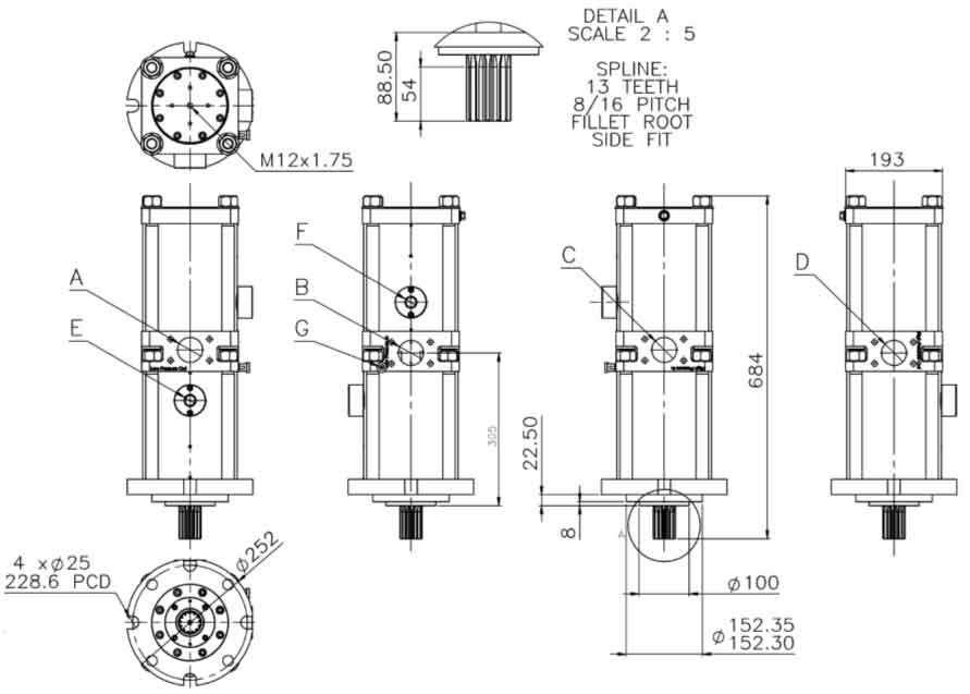
| Position | Connection | Port Dimension |
| A |
Low Pressure Out (ERD)
|
2″ 3000 PSI CLASS SAE 4-BOLT FLANGE
|
| B |
Low Pressure In (Pump)
|
2″ 3000 PSI CLASS SAE 4-BOLT FLANGE
|
| C |
High Pressure In (ERD):
|
2″ 3000 PSI CLASS SAE 4-BOLT FLANGE
|
| D |
High Pressure Out (Pump)
|
2″ 3000 PSI CLASS SAE 4-BOLT FLANGE
|
| E |
Case Drain (Pump)
|
3/4″ BSPP FEMALE
|
| F |
Case Drain (ERD)
|
3/4″ BSPP FEMALE
|
| G |
Inlet Pressure Switch Port
|
G1/4” BSPP FEMALE
|
High Reliability with Low Risk
Our in-house designed axial piston pumps and motors are 100% tested at 160 bar pressure settings or twice the working pressure ensuring the reliability of the power centre.
The power centre utilises salt water to lubricate bearing surfaces so there is absolutely no risk of oil contamination to the environment or the working area.
The power centre utilises salt water to lubricate bearing surfaces so there is absolutely no risk of oil contamination to the environment or the working area.

| Position | Connection | Port Dimension |
| A |
Low Pressure Out (ERD)
|
2″ 3000 PSI CLASS SAE 4-BOLT FLANGE
|
| B |
Low Pressure In (Pump)
|
2″ 3000 PSI CLASS SAE 4-BOLT FLANGE
|
| C |
High Pressure In (ERD):
|
2″ 3000 PSI CLASS SAE 4-BOLT FLANGE
|
| D |
High Pressure Out (Pump)
|
2″ 3000 PSI CLASS SAE 4-BOLT FLANGE
|
| E |
Case Drain (Pump)
|
3/4″ BSPP FEMALE
|
| F |
Case Drain (ERD)
|
3/4″ BSPP FEMALE
|
| G |
Inlet Pressure Switch Port
|
G1/4” BSPP FEMALE
|
Reduced Operating Costs
The integrated energy recovery device enables high energy efficiency, meaning lower running costs and potential energy savings of up to 70% (compared with systems without energy recovery).
This also leads to the use of smaller electric motors and control systems thereby reducing the capital cost.
Reduction of Capital Costs
There is no need for a separate electric motor to drive the energy recovery device nor a separate pressure boost pump. The power centre may be driven at most synchronous electric motor speeds, both 50hz and 60hz without further speed reduction or the cost of pulleys belts and safety guarding. There is also a reduced requirement for expensive
fluid connectors and pulsation attenuation.


| Item Number | Description |
| 1 |
Electric Motor
|
| 2 |
Power Centre
|
| 3 |
Mounting Frame
|
| 4 |
Bellhousing & Flexible Gear Coupling
|
| 5 |
Inlet Protection Pressure Switch Set 3.5 bar
|
Optimum Engineering Design
The power centre is constructed from duplex which is a highly corrosion resistant material to sea water in comparison to other stainless steels. It employs SAE flanged connections, allowing the installer to rotate the hose connections to the unit which reduces noise, vibration and any axial strain on the connecting hoses that might otherwise be present.
Reduction of Capital Costs
There is no need for a separate electric motor to drive the energy recovery device nor a separate pressure boost pump.
The power centre may be driven at most synchronous electric motor speeds, both 50hz and 60hz without further speed reduction or the cost of pulleys belts and safety guarding.
There is also a reduced requirement for expensive fluid connectors and pulsation attenuation.


| Item Number | Description |
| 1 |
Electric Motor
|
| 2 |
Power Centre
|
| 3 |
Mounting Frame
|
| 4 |
Bellhousing & Flexible Gear Coupling
|
| 5 |
Inlet Protection Pressure Switch Set 3.5 bar
|
Optimum Engineering Design
The power centre is constructed from duplex which is a highly corrosion resistant material to sea water in comparison to other stainless steels.
It employs SAE flanged connections, allowing the installer to rotate the hose connections to the unit which reduces noise, vibration and any axial strain on the connecting hoses that might otherwise be present.






